蓝精灵论坛北京地区

  • 接待離開常州市南邊電器元件廠無窮公司!
  •   |  
  • 分享到:
天下辦事熱線:
0519-83280538
 首頁 > 產物中間 > 電感器 > 環形電感類 > 環形TCC型共模電感器
環形TCC型共模電感器
    • 環形TCC型共模電感器
    • 環形TCC型共模電感器
    • 環形TCC型共模電感器
    • 環形TCC型共模電感器
    • 環形TCC型共模電感器
    • 環形TCC型共模電感器
    • 環形TCC型共模電感器
    • 環形TCC型共模電感器
產物概況

TCC SERIES


■Features/特征

Safety standard conformance such as UL/適當UL安規


■Applications/用處

AC Power supply ;TV;OA Devices;etc


■Part numbering system/型號標示法


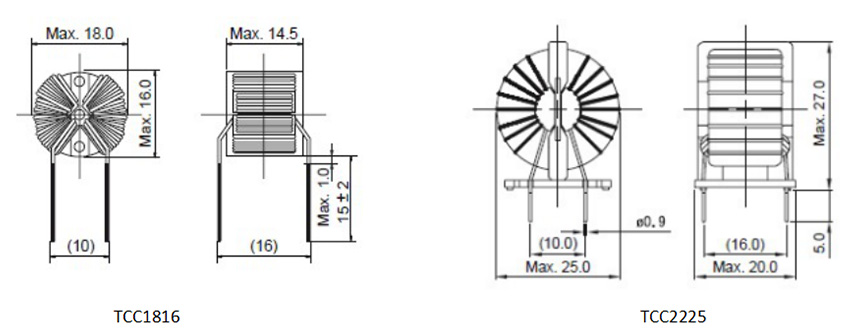
■Shapes and dimensions/形狀及尺寸 (UNIT:mm)


(TCC型濾波器產品種類很是之多,列成二例僅作聲明函和可以參考用途,假如把握更好簡況,能致電針對)

當即征詢
您要征詢的具體內容 *
請留下您的姓名 *
請留下您的德律風 *
您的經常使用接洽信箱
考證碼 *
其余產物
新品保舉
相干消息
CopyRight ? 2018-2025 常州市南邊電器元件廠無窮公司 版權一切. 網站輿圖  中環互聯網設想建造